2.54MM (0,1'') PITCH PIN HEADER
SPECIFICATION
MATERIALS (koskettimet): kupariseos, Gold- tai Tin (nikkeli) loppuun
MATERIALS (HOUSINGS): Vakio tai korkean lämpötilan muovia, arvioivat UL94V-0
CURRENT: 3A kosketinta kohti
MAXIMUM jännite: 800V AC, 500V DC
Ota VASTARINTA: 30mm-max
INSULATION VASTARINTA: 1000 mm-min
OPERATING LÄMPÖTILAN:-40℃tuotavaan 105℃
DURABILITY: 300 liitäntäsykleillä (kulta) tai 50 liitäntäsykleillä (tina)
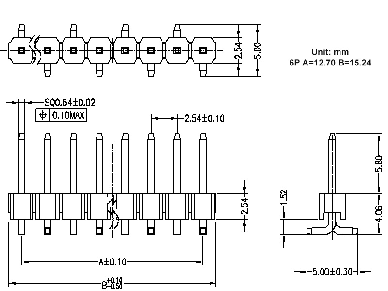
DRAWING
(Kosketus myyntiimme saada tarkempaa tietoa mitat)
What', s toiminnon piikkirimaan?
\\ kamman toiminto on toiminto siltana estetty tai eristetty piirien PCB aluksella piiri, ja vastaavanykyinen tai signaalin siirron.
What ovat HRE piikkirima malleja?
There re monentyyppisiä piikkirimaa jotka luokitellaan standardien elektroniikkateollisuudessa vastaamaan eri tarvitsevat. Tilan mukaan, se voidaan jakaa karkeasti 2,54 mm (0,1 tuumaa), 2,0 mm (0,079 in), 1,27 (0,05), 1,0 mm (0,04 in), 0,8 mm (0,03 in). PINS:n välistä etäisyyttä kutsutaan yleisesti sähköisessä yhteisössä. Mukaan rivien, on yksi rivi, kaksirivinen, kolme riviä, jne. Mukaan pakkauksen käyttö, on laastareita SMT (pintamount teknologia versio) ja tulppa-in DIP (pin reiän läpi laitteet),-joukossa, SMT piikkirimaa voidaan jakaa vaaka -piikkinen ja pystysuora tappi otsikon, ja DIP tyypit voidaan jakaa suoraan paikoilleen -piikkinen ja taivuttamalla lisäys pin header. Sen lisäksi, että me jaettu sen kolmeen ryhmäänniiden asennustapa, 180 ° asennus esittää S", 90 ° asennus esittää"W", ja SMT asennus esittää"T"."
What&39, s soveltamisen välillä -piikkinen?#
Application alue: Tietojen käsittely laitteet, Computer ohjelmapäällikkö ohjauslaitteet, Elektroniset mittauslaitteet, Automaattiset ohjauslaitteet, atk-laitteet, tietoliikennelaitteet, jne

nimi: Haimei Liang
Työnimike: sales manager
osasto: Sales Department
Yrityspuhelin: +86 0769 83450370
Sähköposti: Ota meihin yhteyttä
Kännykkä: +86 18929181819
Verkkosivusto: dgwin.finvipb2b.com
Osoite: No.67,Dongshen Road,Qiaotou Town,Dongguan City,China