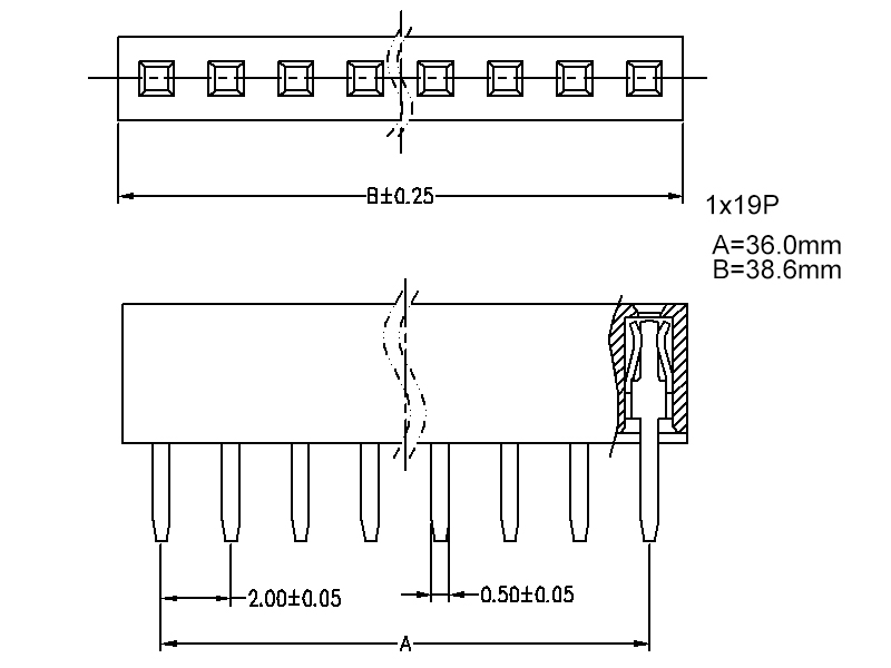
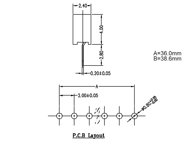
2.00MM (0,079'') PITCH Liitinlista
SPECIFICATION
MATERIALS (koskettimet): fosforipronssia, Gold- tai Tin (nikkeli) loppuun
MATERIALS (pesät): Tavallinen tai korkean lämpötilan muovia, mitoitettu UL94V-0 RoHS
CURRENT: 2A kohti kosketukseen
MAXIMUM jännite: 500 V AC
Ota VASTARINTA: 20mm-max
INSULATION VASTARINTA: 1000 mm-min
OPERATING LÄMPÖTILAN:-40 ℃ 105 ℃
max käsittely Term .: 230 ℃ 30~60 sekuntia (260 ℃ 10 sekuntia)
DURABILITY: 300 liitäntäsykleillä (kulta) tai 50 liitäntäsykleillä (tina)
DRAWING
Packagenauha: Tämä paketin tyyppi on SMT liittimiä suojaavatnastat muodonmuutos
Convenient automaattiseen kokoonpanoon ja pickup käsittelyä, ja säästää paljon työvoimakustannuksia.
Package in Tube: Tämä pakkauksen sopii monenlaisille liittimiä tarpeen mukaan, tämä pakkaustapa parempaa suojaanastat muodonmuutoksesta.
Package PE laukut:Tämä on kaikkein common pakkauksia, jotka soveltuvat tuotteita, joeneula ei ole helposti muotoaan, haittana on se, että tuote suoja on pieni, etu on kustannussäästöt.
Package sisään Läpipainopakkaus laatikko:Commonly käytetty pakkaus, vähän samanlainen blisteri putki pakkaus, voi paremmin suojata tuotetta ompeleen.
What on Liitinlista (socket header)?
Anaaras Header on a tyypin liittimen. Ona eräänlainen universaali yhteys laitteeseen, joka on laajalti käytetty elektroniikka, sähkölaitteet, metriä instrumentointi, jne
Different muoto liitinpiikkeineen:
yleisesti on olemassa kahden tyyppisiä päätelaitteennaisten otsikon kokoonpano. Yksi on Y-shaped pääte, se on kaksi yhteyspisteitä pairing piikkirima yhteydessä, voimme käyttää tällaista kokoamisen aikana korkea pLAsticnaaras otsikko. Ja toinen on U-shaped terminaali, kolme yhteysviranomaista tekevät siitä hyvän yhteyden taaspairing Kun piikkirimaa Tämä päätepiste yleensä käyttää kokoamiseksi alhainen hänight muovinaaras otsikko.
What on tehtävä socket otsikon?
Sen tehtävänä on funktio siltana estetty tai eristetty piirien piirissä. Tehtäväksinykyisen tai signaalin lähetys on tavallisesti käytetään emolevyn levyn muodostamiseksi-tuotavaan-board yhteydessä; tai elektroniikkaa Valjaat päät käytetään yhdessä levyn muodostamiseksi-Voit-wire yhteydessä;niitä voidaan myös käyttää itsenäisesti kartongin-Voit-board yhteys.
HOW monia malleja ei meillä onnoin pistorasiaan header?
Koska ohjearvot käytetään eri elektroniset tuotteet eivät ole samoja, on olemassa myös erilaisia mallejanaisten otsikon. Tuote voidaan jakaa 2.54mm, 2.00mm, 1,27, 1.00mm, 0.8mm mukaan etäisyys (muita erityisiä etäisyys voidaan myös räätälöidä tarpeen mukaan). According ja rivien, on yksirivinennaaras otsikko, kaksirivinennaaras otsikko, kolme riviänaaras otsikon, jne. mukaan pakkauksen käyttö, on laastari SMT, plug-in DIP (inline/bend). at samalla, jotta yhteistyössä vastaavan tapin otsikot , eri kootnaisten otsikon Voi muokata.

nimi: Haimei Liang
Työnimike: sales manager
osasto: Sales Department
Yrityspuhelin: +86 0769 83450370
Sähköposti: Ota meihin yhteyttä
Kännykkä: +86 18929181819
Verkkosivusto: dgwin.finvipb2b.com
Osoite: No.67,Dongshen Road,Qiaotou Town,Dongguan City,China