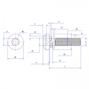
Uppokantaisen ruuvin kanta on 90-asteen kartio, samanlainen kuin tavallinen puuruuvi, työkalulla-kiristysura päässä siksakin, Phillipsin ja sisäisen kuusikulmion muodossa. Liittimen kiinnitysreikien pinnalla on 90-asteen kartiomainen pesä, litteän koneruuvin pää tässä pesässä ja liittimen pinta on tasainen. Joissakin tapauksissa käytetyissä litteissä koneruuveissa on myös puolikas-pyöreäpäiset litteät koneruuvit, tämä ruuvi on kauniimpi, pinnalla käytettynä voi sallia hieman ulkonevan paikan.

nimi: Walt Zhong
Yrityspuhelin: +86 13649838336
Sähköposti: Ota meihin yhteyttä
Kännykkä: +86 15019190944
Verkkosivusto: tianyifastener.finvipb2b.com
Osoite: 40 jingfu west road, dalang town, dongguan, guangdong province